







熔体泵主要用于高温高粘度聚合物熔体的输送、增压、计量。熔体泵将来自挤出机的高温塑料熔体增压,稳压后流量稳定地送入挤出机头。其稳定熔体压力、流量的能力优于各种类型的挤出机。国外厂泛应用于塑料、树脂、橡胶制品的挤出成型。如:造粒、薄膜、管材、板材、片材等行业。随着机械工业的日益发展,熔体泵在国内市场也逐渐地被行业人士所采纳、应用。

工作原理
熔体泵属于容积式齿轮泵,采用一对外啮合的圆柱齿轮(直齿、斜齿、人字齿)相对转动来输送高黏度的流体。所有齿轮和配合面都经过精磨、并严格控制装配间隙来获得精确的流量。
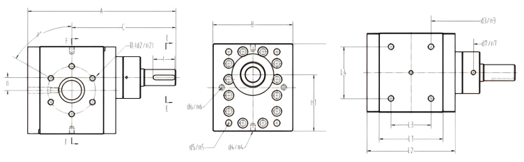
产品尺寸

注意事项
1.电机的驱动扭力,根据现场介质粘度不同,驱动力有所变化。介质粘度越高,需要的驱动力越大。选用电机是,需要加大功率,或速比加大。根据排量及介质粘性选用电机速比。
2.可选伺服电机,步进电机,防爆电机,无刷电机等,根据现场需求,另寻技术选型。
3.最好转速不高于 100 转,长期处于 100 转的情况下,齿轮磨损大,降低产品使用寿命。
