







泵头的齿轮采用PEEK材料,泵体为不锈钢/钨钢/PPS等材质,轴套PEEK,密封材料PTFE。选用钨钢材质加工的,泵体表面作TIN涂层加硬处理,使该泵在研磨性液体(如颜料型漆、颜料型墨水)应用方面可以提供出色的泵送性能和更长的使用寿命。可配步进电机、直流无刷电机、有刷电机、普通异步电机、防爆异步电机等。

工作原理
磁力齿轮泵的工作原理主要基于磁力传动和齿轮传动相结合。
磁力齿轮泵的结构通常包括两个齿轮、泵体以及前后盖,这些部分组成两个封闭的空间。当齿轮转动时,齿轮脱开侧的空间体积会从小变大,形成真空,从而吸入液体;而齿轮啮合侧的空间体积会从大变小,将液体挤入管路中。这种工作方式使得泵达到完全无泄漏的效果。
磁力齿轮泵的传动系统由内外两部分组成,外部为永磁体,内部为同步马达。内部转子通过同步马达旋转,这种旋转同时会传导到外部的永磁体上。当内部转子和外部永磁体旋转时,它们之间会产生磁力耦合作用,实现无需物理接触的液体输送。
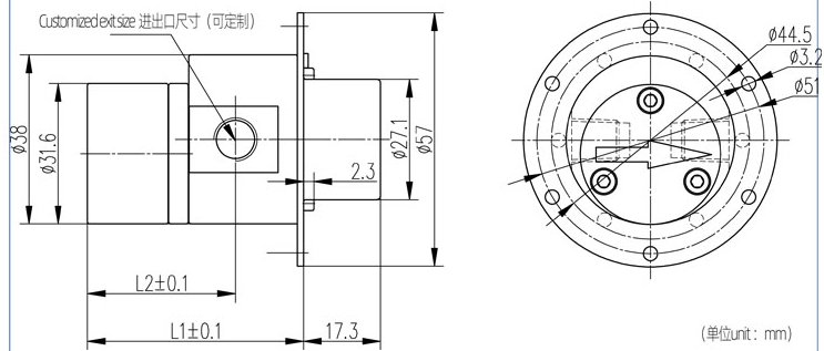
产品尺寸


内部结构图

